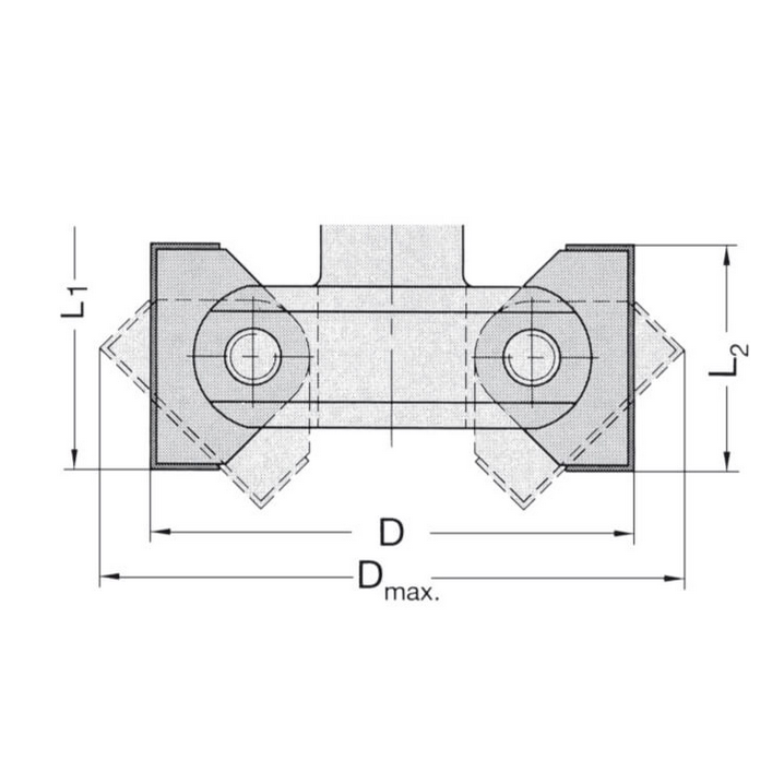
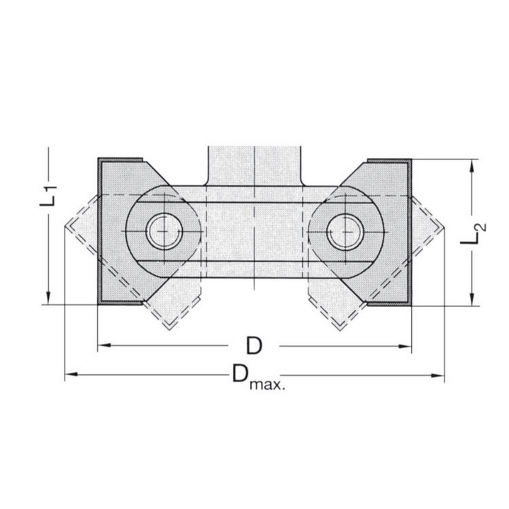
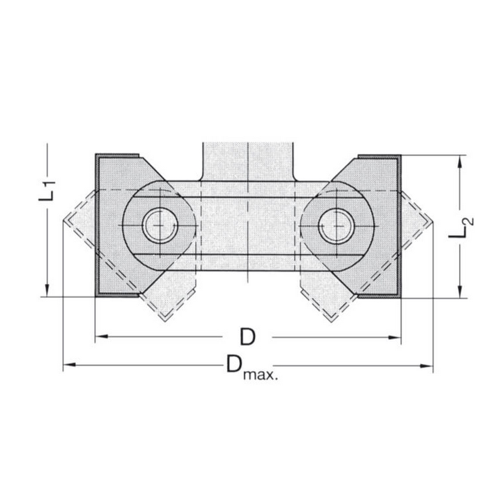
Zwenkkopfrees

Recent bekeken