Vaste schacht-uitvoering
Artikelnummer: 24381-5-20740
Verpakt per: 1 stuk / zakje
Reserveronderdelen
-
Onderdeel: 39050-0-12700
Type: Kogellager D=12,7 mm, d=4,76 mm
Afname per stuk.
Frees is voorzien van 1 lager. -
Onderdeel: 39150-0-04000
Type: Zeskantmoer M4,0 DIN 934
Afname per stuk.
Frees is voorzien van 1 zeskantmoer t.b.v. het lager.
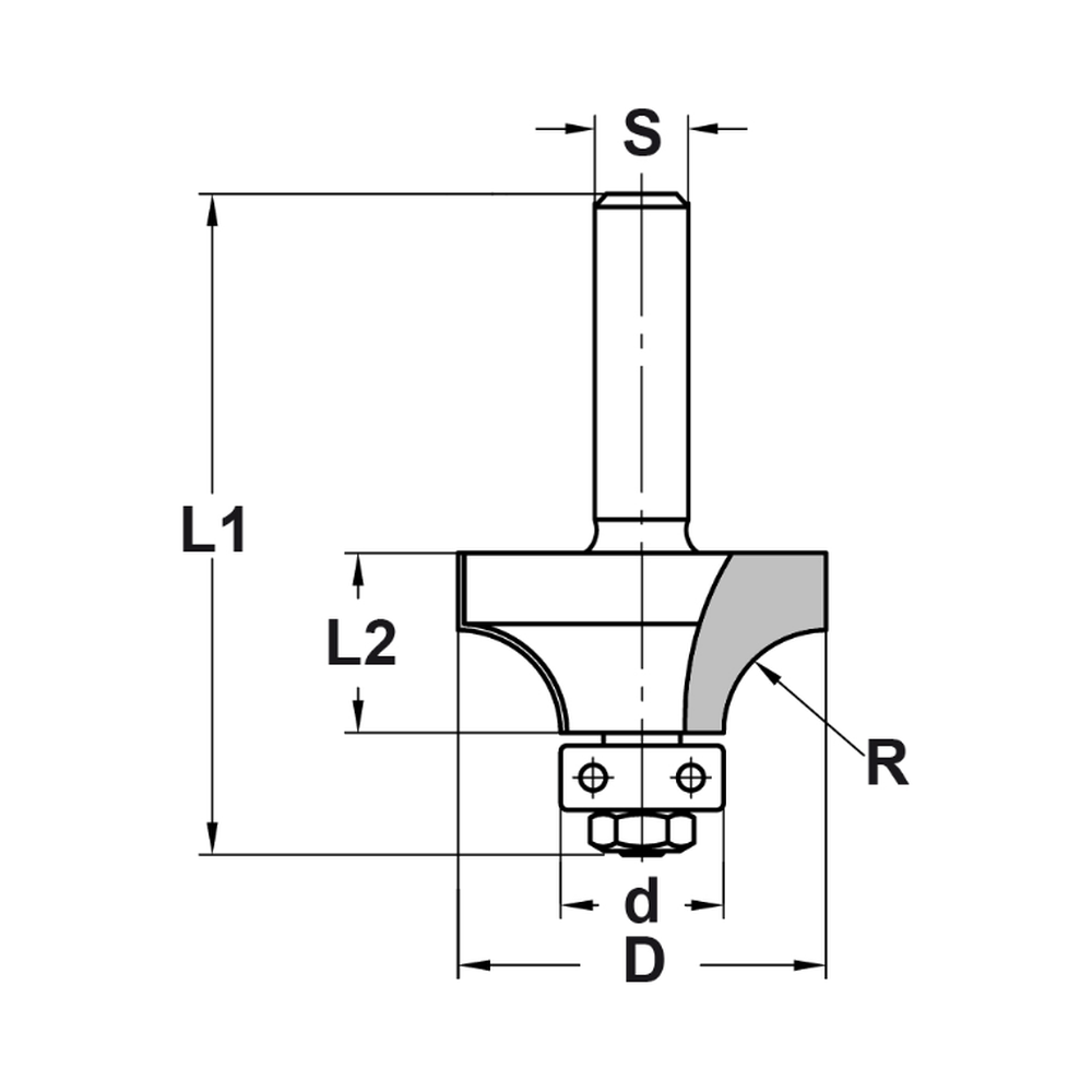
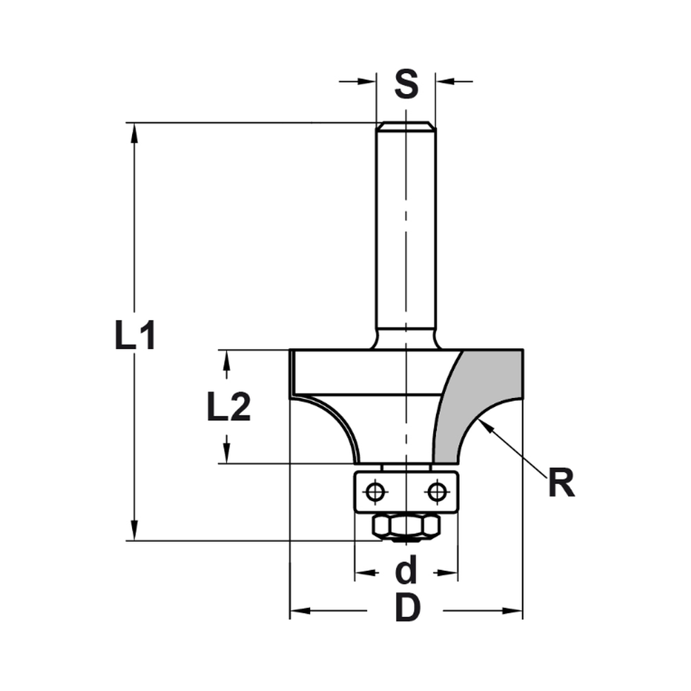
- Radius (R) = 4,0 mm
- Ø (D) = 20,7 mm
- Lager (d) = 12,7 mm
- Snijlengte (L2) = 9,0 mm
- Totale lengte (L1) = 47 mm
- Schacht = 6 mm
- Z=2
- Hardmetaal uitvoering (HW)

PRODUCTOMSCHRIJVING
- Maak met deze frees een afronding aan uw werkstuk
- Zet een kleiner lager op deze frees (artikel 39050-0-09500, lager 9,5 mm) en u creëert een duivenjagerprofiel
- Te gebruiken op o.a. hout, MDF, (geplastificeerd) spaanplaat, Trespa® en andere plaatmaterialen
- Controleer altijd uw frees vóórdat u gaat frezen op bijvoorbeeld beschadigingen
- Uw frees dient altijd ver genoeg ingespannen te worden, dit staat aangegeven op de schacht van de frees
- Zorg voor een gelijkmatige doorvoer en het juiste toerental




