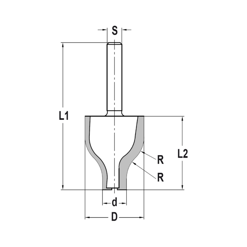
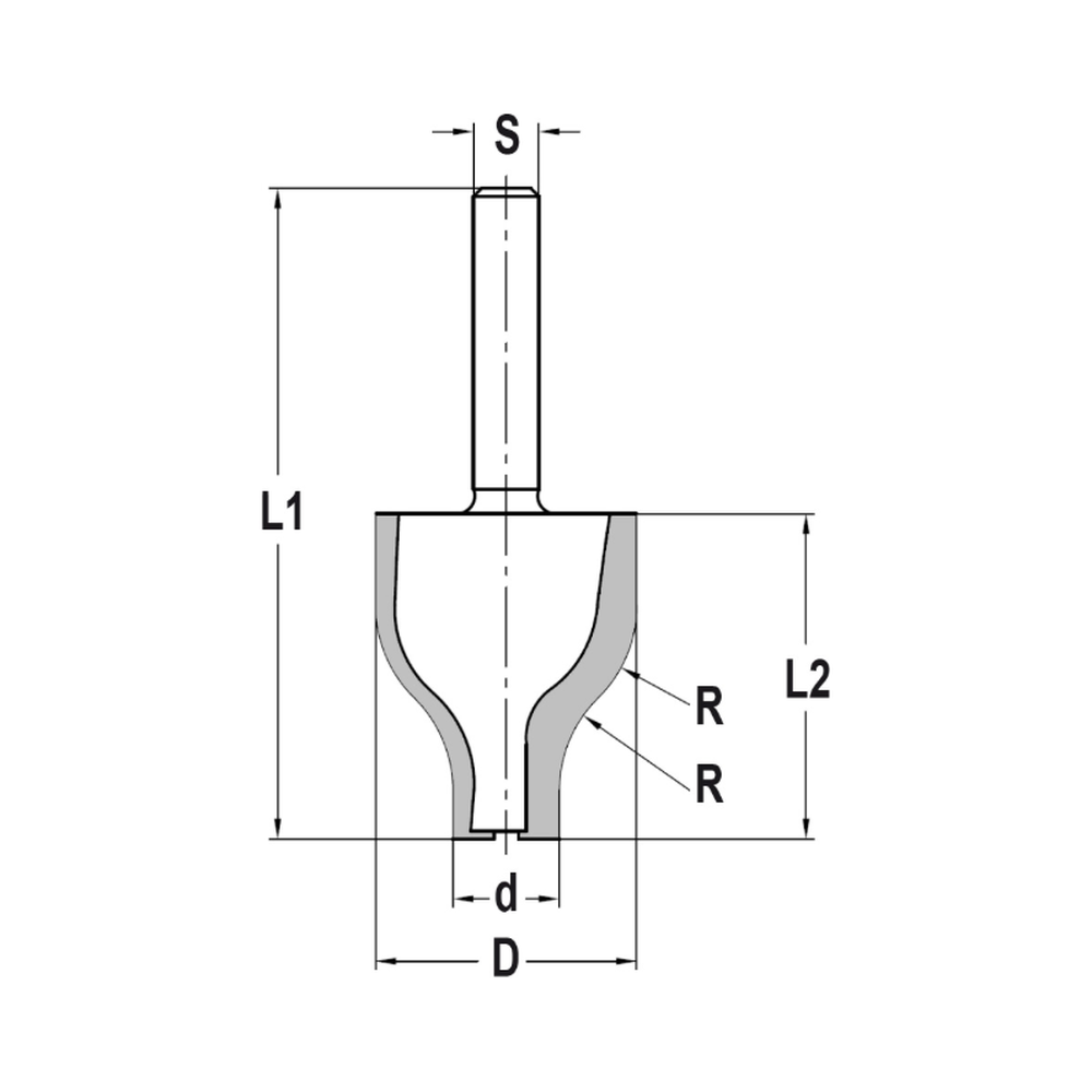
Vaste schacht-uitvoering
Artikelnummer: 24803-5-32016
Verpakt per: 1 stuk / zakje
- Radius (R) = 16,0 mm
- Ø (D) = 32,0 mm
- Onderzijde (d) = 13,0 mm
- Snijlengte (L2) = 40,0 mm
- Totale lengte (L1) =80 mm
- Schacht = 8 mm
- Z=2
- Hardmetaal uitvoering (HW)

PRODUCTOMSCHRIJVING
- Maak met deze frees een bossing profiel
- Let op; deze frees is NIET inborend. Het profiel zoals op de eerste afbeelding (houttekening) kan enkel worden gecreëerd door zijwaarts in te vallen of de frees in een bestaande groef te gebruiken.
- Deze frees is te gebruiken op o.a. hout, MDF, (geplastificeerd) spaanplaat, Trespa® en andere plaatmaterialen
- Controleer altijd uw frees vóórdat u gaat frezen op bijvoorbeeld beschadigingen
- Uw frees dient altijd ver genoeg ingespannen te worden, dit staat aangegeven op de schacht van de frees
- Zorg voor een gelijkmatige doorvoer en het juiste toerental



