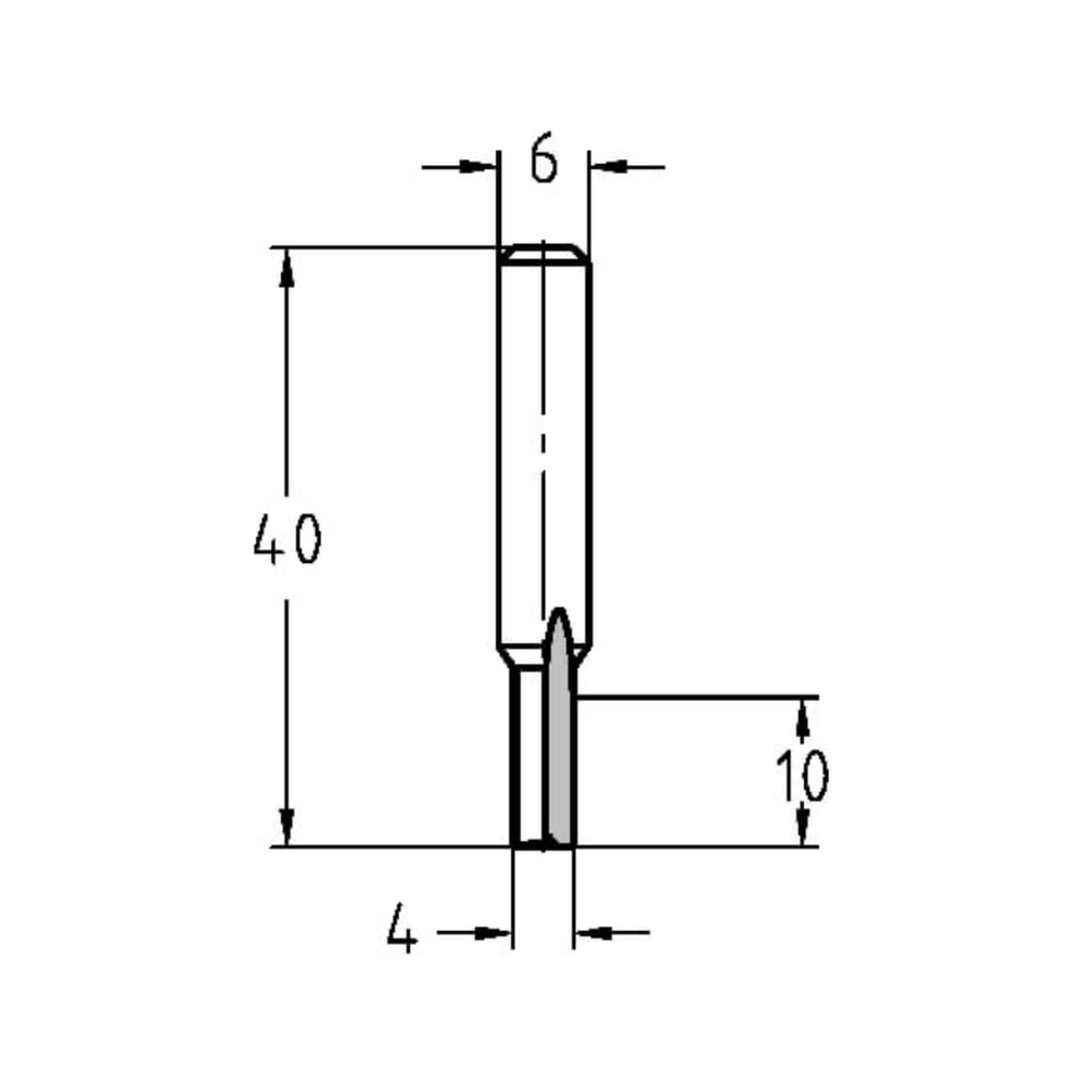
GROEFFREES Ø 4 X 10 MM, TL=40 MM, S=6 MM, VHW
Zij- en onderkant snijdend
Artikelnummer: 24221-5-04007
Verpakt per: 1 stuk / zakje
- Ø = 4 mm
- Snijlengte = 10 mm
- Totale lengte = 40 mm
- Schacht = 6 mm
- Z=2
- Volhardmetaal uitvoering (VHW)

PRODUCTOMSCHRIJVING
- Zij- en onderkant snijdend
- Te gebruiken op o.a. hout, MDF, (geplastificeerd) spaanplaat, Trespa® en andere plaatmaterialen
- Controleer altijd uw frees vóórdat u gaat frezen op bijvoorbeeld beschadigingen
- Uw frees dient altijd ver genoeg ingespannen te worden, dit staat aangegeven op de schacht van de frees
- Zorg voor een gelijkmatige doorvoer en het juiste toerental
- In verband met de kleine diameter adviseren wij u de frees extra voorzichtig in te zetten i.v.m. mogelijk breukgevaar
Dit product is op voorraad en wordt binnen 1–3 werkdagen verzonden.
OP VOORRAAD
Artikelnummer: 24221-5-04007
EAN: 8717123226850





