Zij- en onderkant snijdend
Artikelnummer: 24221-5-07016
Verpakt per: 1 stuk / zakje
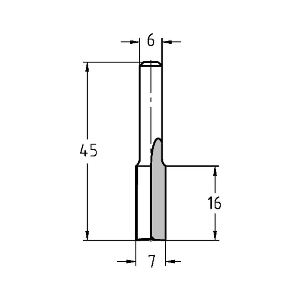
- Ø = 7 mm
- Snijlengte = 16 mm
- Totale lengte = 45 mm
- Schacht = 6 mm
- Z=2
- Hardmetaal uitvoering (HW)

PRODUCTOMSCHRIJVING
- Zij- en onderkant snijdend
- Te gebruiken op o.a. hout, MDF, (geplastificeerd) spaanplaat, Trespa® en andere plaatmaterialen
- Controleer altijd uw frees vóórdat u gaat frezen op bijvoorbeeld beschadigingen
- Uw frees dient altijd ver genoeg ingespannen te worden, dit staat aangegeven op de schacht van de frees
- Zorg voor een gelijkmatige doorvoer en het juiste toerental
Dit product is op voorraad en wordt binnen 1–3 werkdagen verzonden.
OP VOORRAAD
Artikelnummer: 24221-5-07016
EAN: 8717123226881





