Geschikt voor inboren
Artikelnummer: 25213-4-08080
Verpakt per: 1 stuk / zakje
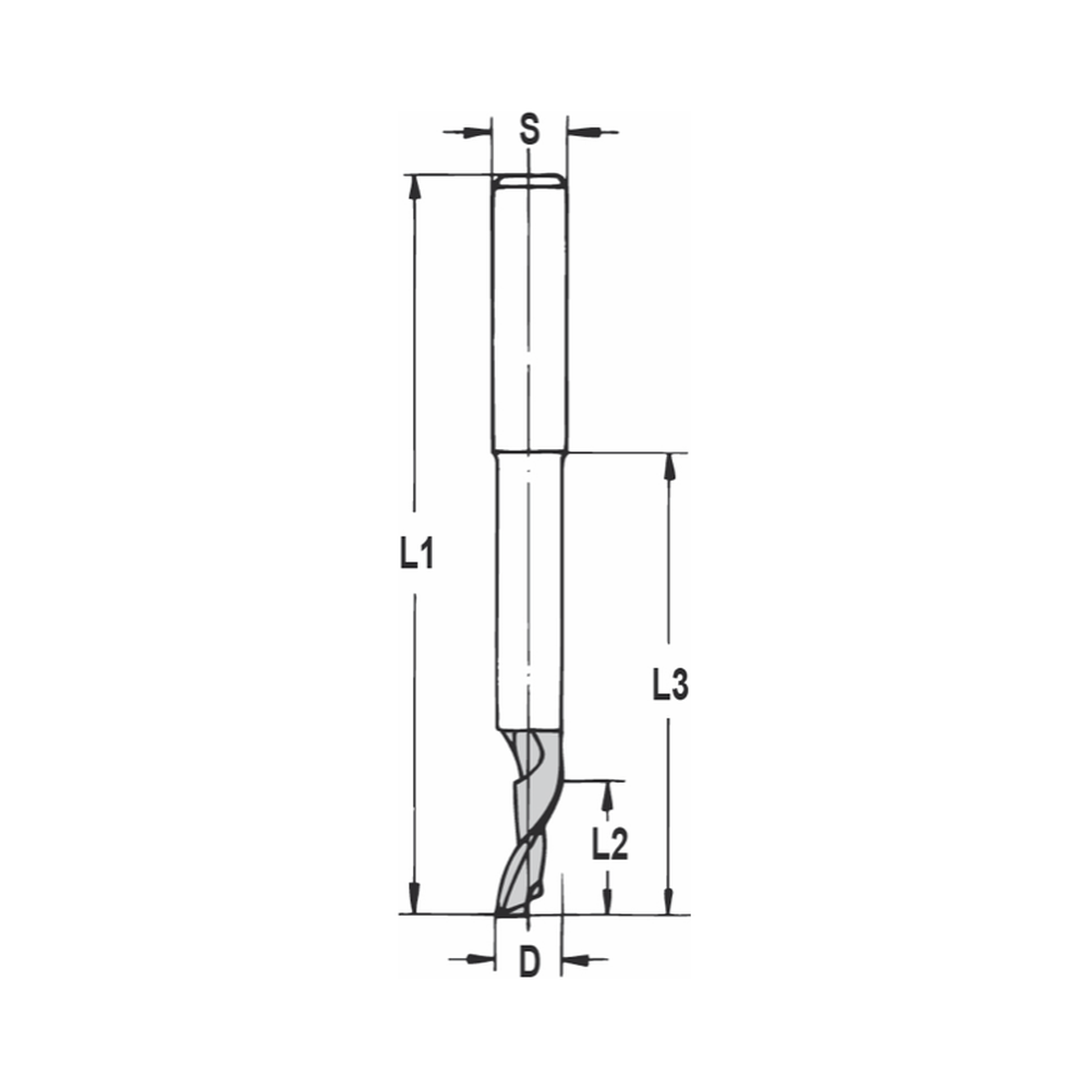
- Ø (D) = 8 mm
- Snijlengte (L2) = 14 mm
- Snijlengte + vrijgeslepen gedeelte (L3) = 90 mm
- Totale lengte (L1) = 120 mm
- Schacht (S) = 8 mm
- Z=1
- High Speed Steel (HS-E)

PRODUCTOMSCHRIJVING
- Zij- en onderkant snijdend
- Geschikt om mee in te boren
- Te gebruiken op o.a. aluminium en kunststof
- Deze frees heeft een vrijgeslepen gedeelte (L3-maat op de tekening) zodat u dieper in kan vallen
- Controleer altijd uw frees vóórdat u gaat frezen op bijvoorbeeld beschadigingen
- Uw frees dient altijd ver genoeg ingespannen te worden, dit staat aangegeven op de schacht van de frees
- Zorg voor een gelijkmatige doorvoer en het juiste toerental
- Aanbevolen toerental bij aluminium frezen: 18.000 min-¹



