Wisselschacht uitvoering
Artikelnummer: 24571-5-37412
Verpakt per: 1 stuk / zakje
Reserveronderdelen
-
Onderdeel: 39064-0-09012
Type: Lager compleet 12 mm
Afname per stuk.
Frees is voorzien van 1 lager.
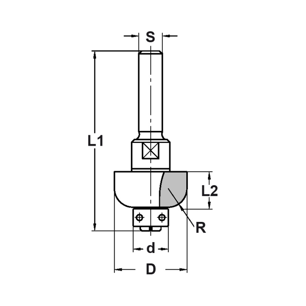
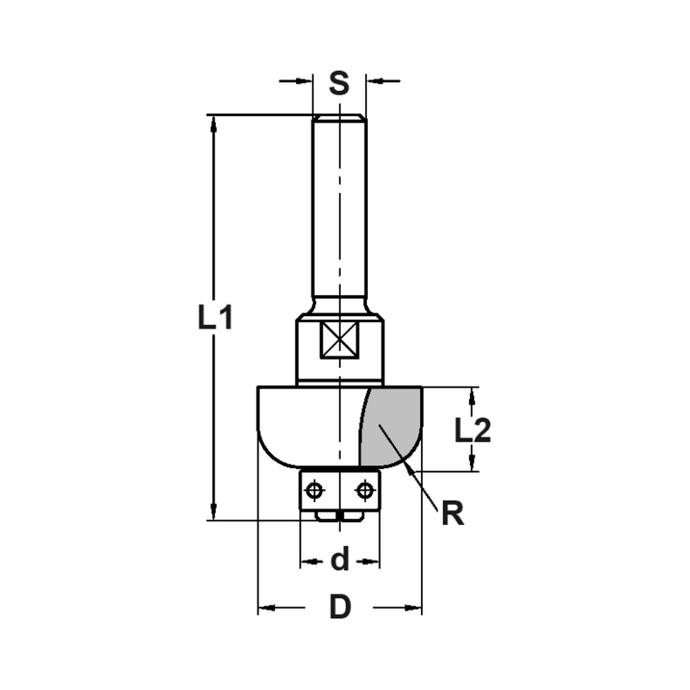
- Radius (R) = 12,7 mm
- Ø (D) = 37,4 mm
- Lager (d) = 12,0 mm
- Snijlengte (L2) = 16,0 mm
- Totale lengte (L1) = 61 mm
- Schacht = 6 mm
- Z=2
- Hardmetaal uitvoering (HW)

PRODUCTOMSCHRIJVING
- Maak met deze frees een halfholprofiel aan uw werkstuk
- Deze frees is ideaal voor deuren, lades, meubelen en tafelranden
- Ook is deze frees te gebruiken in combinatie met onze afrondfrezen uit de 24621-5-serie om bijvoorbeeld verbindingen te maken voor tafelbladen
- Het lager op deze frees zorgt voor een stabiele geleiding en is eenvoudig te vervangen
- Te gebruiken op o.a. hout, MDF, (geplastificeerd) spaanplaat, Trespa® en andere plaatmaterialen
- Controleer altijd uw frees vóórdat u gaat frezen op bijvoorbeeld beschadigingen
- Uw frees dient altijd ver genoeg ingespannen te worden, dit staat aangegeven op de schacht van de frees
- Zorg voor een gelijkmatige doorvoer en het juiste toerental



