Vaste schacht-uitvoering
Artikelnummer: 24336-5-38000
Verpakt per: 1 stuk / zakje
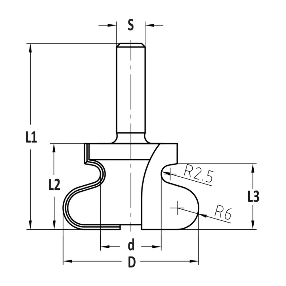
- Radius (R1) = 2,5 mm
- Radius (R2) = 6,0 mm
- Ø (D) = 38,0 mm
- Ø (d) = 17,0 mm
- Snijlengte (L3) = 18,0 mm
- Totale lengte (L1) = 63 mm
- Schacht = 12 mm
- Z=2
- Hardmetaal uitvoering (HW)

PRODUCTOMSCHRIJVING
- Deze frees is zeer geschikt voor het maken van handgrepen aan o.a. kasten
- Te gebruiken op o.a. hout, MDF, (geplastificeerd) spaanplaat, Trespa® en andere plaatmaterialen
- Controleer altijd uw frees vóórdat u gaat frezen op bijvoorbeeld beschadigingen
- Uw frees dient altijd ver genoeg ingespannen te worden, dit staat aangegeven op de schacht van de frees
- Zorg voor een gelijkmatige doorvoer en het juiste toerental




