Vaste schacht-uitvoering
Artikelnummer: 24343-5-11000
Verpakt per: 1 stuk / zakje
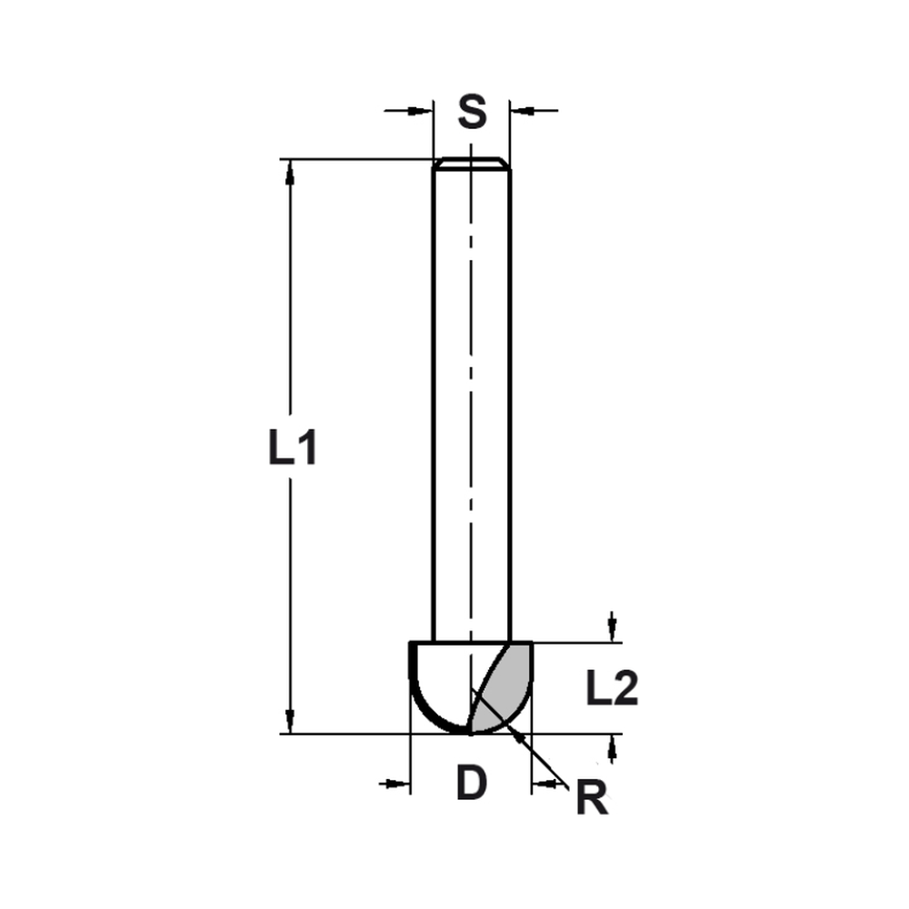
- Radius (R) = 5,5 mm
- Ø (D) = 11,0 mm
- Snijlengte (L2)= 8,0 mm
- Totale lengte (L1) = 60 mm
- Schacht (S) = 8 mm
- Z=2
- Hardmetaal uitvoering (HW)

PRODUCTOMSCHRIJVING
- Voor het frezen van een ronde groef in uw werkstuk
- Te gebruiken op o.a. hout, MDF, (geplastificeerd) spaanplaat, Trespa® en andere plaatmaterialen
- Controleer altijd uw frees vóórdat u gaat frezen op bijvoorbeeld beschadigingen
- Uw frees dient altijd ver genoeg ingespannen te worden, dit staat aangegeven op de schacht van de frees
- Zorg voor een gelijkmatige doorvoer en het juiste toerental



