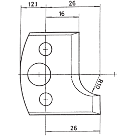
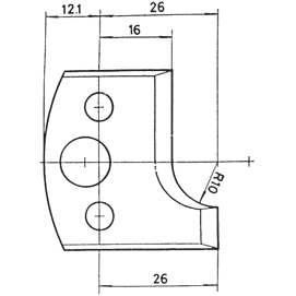
Profielmes nr. 13 WS is geschikt voor gebruik in profielkoppen binnen de houtbewerking.
Zorg dat de hoogte van 40 mm overeenkomt met de hoogte van de profielkop.
Artikelnummer: 90000-1-00013. Bestel eenvoudig online bij MZS Gereedschap.
Dit product is op voorraad en wordt binnen 1–3 werkdagen verzonden.
OP VOORRAAD
Artikelnummer: 90000-1-00013
EAN: 8717123262773

