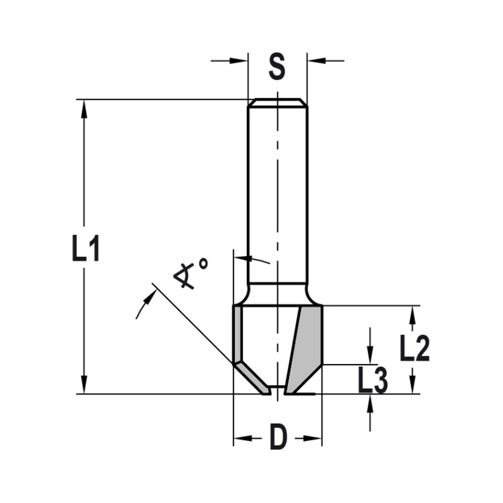
Zonder geleidelager
Artikelnummer: 24283-5-12022
Verpakt per: 1 stuk / zakje
- Hoek = 22°
- Ø (D) = 12 mm
- Hoogte van de fase (L3) = 4 mm
- Totale snijlengte (L2) = 12 mm
- Totale lengte (L1) = 40 mm
- Schacht (S) = 8 mm
- Z=2
- Hardmetaal uitvoering (HW)

PRODUCTOMSCHRIJVING
- Deze frees is geschikt om recht af te kanten of om een kleine fase aan uw werkstuk te maken
- Zonder geleidelager
- Te gebruiken op o.a. hout, MDF, (geplastificeerd) spaanplaat, Trespa® en andere plaatmaterialen
- Controleer altijd uw frees vóórdat u gaat frezen op bijvoorbeeld beschadigingen
- Uw frees dient altijd ver genoeg ingespannen te worden, dit staat aangegeven op de schacht van de frees
- Zorg voor een gelijkmatige doorvoer en het juiste toerental
Dit product is op voorraad en wordt binnen 1–3 werkdagen verzonden.
OP VOORRAAD
Artikelnummer: 24283-5-12022
EAN: 8717123229080





