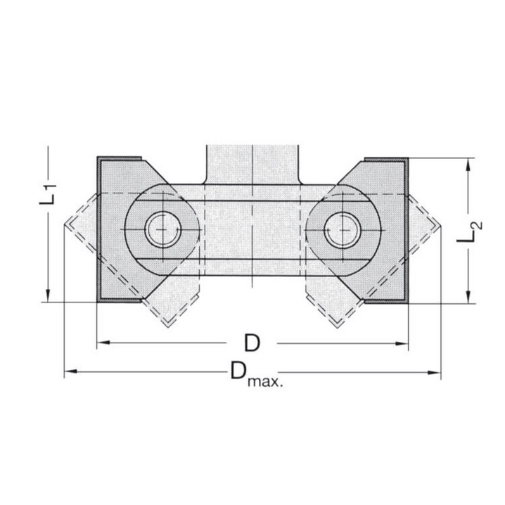
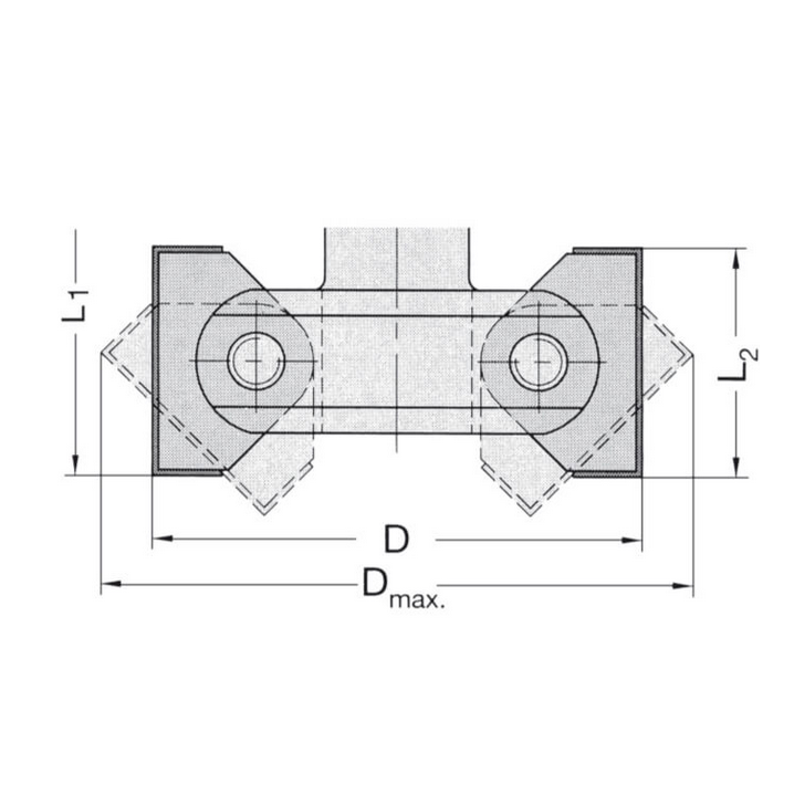
Uitvoering: Met twee HW-keermessen in verstelbare messendragers. Omtrek- en tweezijdig omvang snijdend. Met een bereik naar boven van 0–45° en naar beneden van 0–90°. Met rasterpunt elke 7,5°. Traploos instelbaar voor precisie instelling. Met instelschroef M8. Rechtsdraaiend.
Toepassing: Voor het afkanten en maken van sponningen bij hout- en plaatmaterialen op CNC-machines en conventionele freesmachines.
Dit product is op voorraad en wordt binnen 1–3 werkdagen verzonden.
OP VOORRAAD
Artikelnummer: 22095-5-00006
EAN: 8717123272024


