O.a. te gebruiken t.b.v. scharniermallen
Artikelnummer: 22823-5-20012
Verpakt per: 1 stuk / zakje
Reserveronderdelen
-
Onderdeel: 72020-6-01200
Type: Keermes 12 x 12 x 1,5 mm (4-zijdig)
Afname per doosje à 10 stuks.
Frees wordt geleverd inclusief 2 messen. -
Onderdeel: 39076-0-04000
Type: Torxbout M4,0 x 5,9 grote kop
Afname per torx-bout.
Frees is voorzien van 2 torx-bouten. -
Onderdeel: 39077-0-04015
Type: Torxsleutel M3,5/4,0 TX15
Afname per torx-sleutel.
Frees wordt geleverd inclusief 1 torx-sleutel.
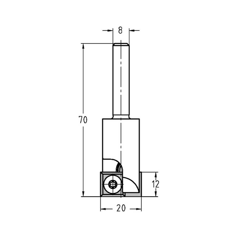
- Ø (D) = 20 mm
- Snijlengte (L2) = 12 mm
- Totale lengte (L1) = 70 mm
- Schacht (S) = 8 mm
- Z=2
- Hardmetaal uitvoering (HW)

PRODUCTOMSCHRIJVING
- Zij- en onderkant snijdend
- Zeer geschikt voor het gebruik i.c.m. scharniermallen.
- Te gebruiken op o.a. hout, MDF, (geplastificeerd) spaanplaat, Trespa® en andere plaatmaterialen
- Controleer altijd uw frees vóórdat u gaat frezen op bijvoorbeeld beschadigingen
- Uw frees dient altijd ver genoeg ingespannen te worden, dit staat aangegeven op de schacht van de frees
- Maak de frees bij het wisselen van het mesje goed schoon en zorg ervoor dat het mesje goed klemt tegen de body
- Gebruik bij het wisselen van mesjes altijd de originele onderdelen (boutjes, mesjes en torx-sleutel)
- Een bijbehorende torx-sleutel wordt meegeleverd
- Zorg voor een gelijkmatige doorvoer en het juiste toerental





