Vaste schacht-uitvoering
Artikelnummer: 22251-5-30000
Verpakt per: 1 stuk / zakje
Reserveronderdelen
-
Onderdeel: 72020-6-01200
Type: Keermes 12 x 12 x 1,5 mm (4-zijdig)
Afname per doosje à 10 stuks.
Frees wordt geleverd 2 keermesjes. -
Onderdeel: 39076-0-04000
Type: Torxbout M4,0 x 5,9 grote kop
Afname per torx-bout.
Frees is voorzien van 2x deze torx-bout. -
Onderdeel: 39077-0-04015
Type: Torxsleutel M3,5/4,0 TX15
Afname per torx-sleutel.
Frees wordt geleverd inclusief 1 torx-sleutel.
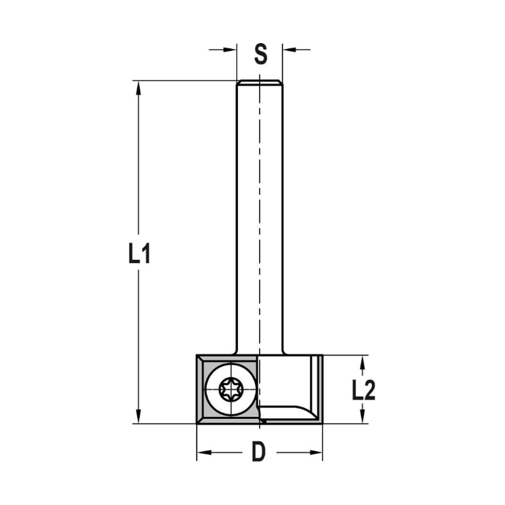
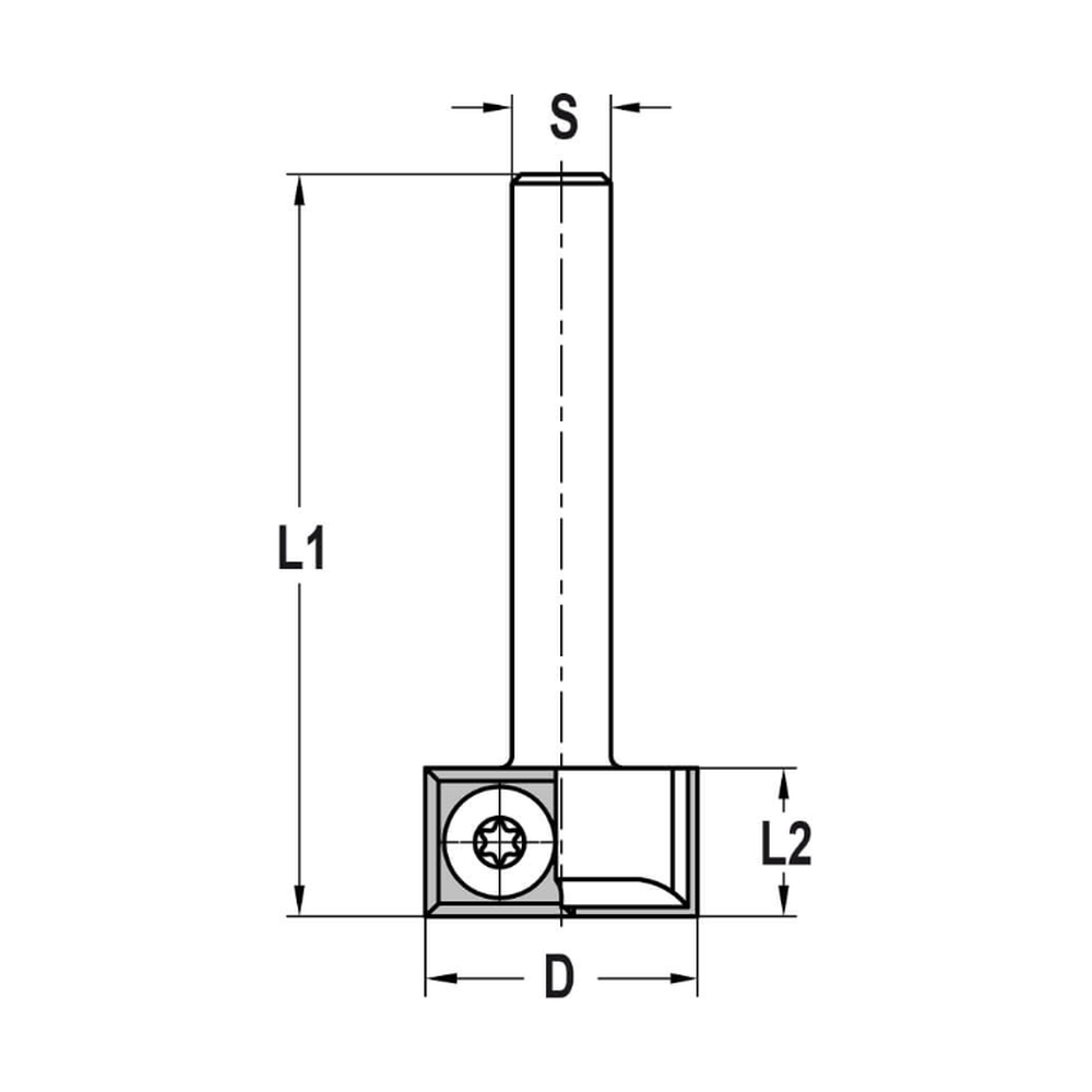
- Ø (D) = 30 mm
- Snijlengte (L2) = 12 mm
- Totale lengte (L1) = 40 mm
- Schacht = 6 mm
- Z=2
- Hardmetaal uitvoering (HW)

PRODUCTOMSCHRIJVING
- Voor het slaan van een sponning
- Te gebruiken op o.a. hout, MDF, (geplastificeerd) spaanplaat, Trespa® en andere plaatmaterialen
- Controleer altijd uw frees vóórdat u gaat frezen op bijvoorbeeld beschadigingen
- Maak de frees bij het wisselen van het mesje goed schoon en zorg ervoor dat het mesje goed klemt tegen de body
- Gebruik bij het wisselen van mesjes altijd de originele onderdelen (boutjes, mesjes en torx-sleutel)
- Een bijbehorende torx-sleutel wordt meegeleverd
- Uw frees dient altijd ver genoeg ingespannen te worden, dit staat aangegeven op de schacht van de frees
- Zorg voor een gelijkmatige doorvoer en het juiste toerental



