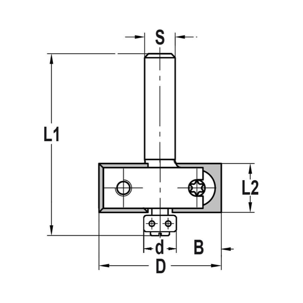
KEERMESSPONNINGFREZEN MET GELEIDELAGER,Type: Sponningbreedte (B) = 7,0 mm

Aanbieding
JSOArtikelnummer22253-5-30016

:
€143,78 €159,75

Vaste schacht-uitvoering

  • Ø (D) = 30 mm
  • Snijlengte (L2) = 12 mm
  • Totale lengte (L1) = 47 mm
  • Sponningbreedte (B) = afhankelijk van het lager (d)
  • Schacht = 8 mm
  • Z=2
  • Hardmetaal uitvoering (HW)

PRODUCTOMSCHRIJVING

  • Voor het slaan van een sponning
  • Op deze frees zijn alle lagers uit de 39064-0-serie te monteren
  • Besteld u bij één frees meerdere lagers dan kunt u eenvoudig de diverse sponningbreedtes (B) creëren
  • Onze lagers zijn eenvoudig te wisselen met een platte schroevendraaier
  • Maak de frees bij het wisselen van het mesje goed schoon en zorg ervoor dat het mesje goed klemt tegen de body
  • Gebruik bij het wisselen van mesjes altijd de originele onderdelen (boutjes, mesjes en torx-sleutel)
  • Een bijbehorende torx-sleutel wordt meegeleverd
  • Te gebruiken op o.a. hout, MDF, (geplastificeerd) spaanplaat, Trespa® en andere plaatmaterialen
  • Controleer altijd uw frees vóórdat u gaat frezen op bijvoorbeeld beschadigingen
  • Uw frees dient altijd ver genoeg ingespannen te worden, dit staat aangegeven op de schacht van de frees
  • Zorg voor een gelijkmatige doorvoer en het juiste toerental

Andere klanten kochten ook

Recent bekeken producten