Wisselschacht uitvoering, onderkant ingelegd HW
Artikelnummer: 24631-5-30095
Verpakt per: 1 stuk / zakje
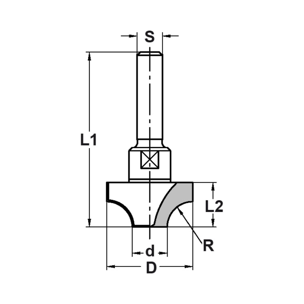
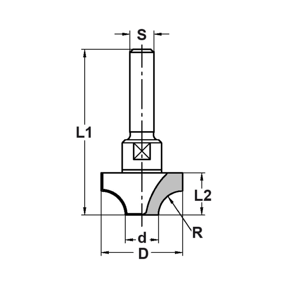
- Radius (R) = 9,5 mm
- Ø (D) = 30,0 mm
- Onderzijde (d) = 11,0 mm
- Snijlengte (L2) = 15,5 mm
- Totale lengte (L1) = 50 mm
- Schacht = 6 mm
- Z=2
- Hardmetaal uitvoering (HW)

PRODUCTOMSCHRIJVING
- Maak met deze frees een afronding aan uw werkstuk of creëer een duivenjager profiel
- Dit artikel is onderkant ingelegd met hardmetaal (HW) en daardoor ook geschikt om mee in te boren
- Vanwege de onderzijde met hardmetaal past er geen lager op deze frees
- Deze frees is te gebruiken op o.a. hout, MDF, (geplastificeerd) spaanplaat, Trespa® en andere plaatmaterialen
- Controleer altijd uw frees vóórdat u gaat frezen op bijvoorbeeld beschadigingen
- Uw frees dient altijd ver genoeg ingespannen te worden, dit staat aangegeven op de schacht van de frees
- Zorg voor een gelijkmatige doorvoer en het juiste toerental






