Wisselschacht uitvoering
Artikelnummer: 24646-5-37263
Verpakt per: 1 stuk / zakje
Reserveronderdelen
-
Onderdeel: 39064-0-09012
Type: Lager compleet 12 mm
Afname per stuk.
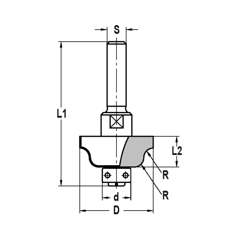
Frees is voorzien van 1 lager.
- Radius (R) = 6,3/6,3 mm
- Ø (D) = 37,0 mm
- Lager (d) = 12,0 mm
- Snijlengte (L2) = 19,0 mm
- Totale lengte (L1) = 67 mm
- Schacht = 12 mm
- Z=2
- Hardmetaal uitvoering (HW)

PRODUCTOMSCHRIJVING
- Maak met deze frees een lijstprofiel aan uw werkstuk of creëer een halfhol profiel met R=6,3 mm
- Deze frees heeft een dubbele Radius van 6,3 mm
- Het lager op deze frees is eenvoudig te wisselen met een platte schroevendraaier
- Deze frees is te gebruiken op o.a. hout, MDF, (geplastificeerd) spaanplaat, Trespa® en andere plaatmaterialen
- Controleer altijd uw frees vóórdat u gaat frezen op bijvoorbeeld beschadigingen
- Uw frees dient altijd ver genoeg ingespannen te worden, dit staat aangegeven op de schacht van de frees
- Zorg voor een gelijkmatige doorvoer en het juiste toerental
⚡
Snel geregeld
Wij verwerken je bestelling zo snel mogelijk
🚚
Verzending via DPD of PostNL
€ 5,90 — gratis vanaf € 60,-
🔒
Veilig betalen
Wero, Klarna, PayPal, Visa, Apple Pay en meer
⭐
Betrouwbare webshop
Met klantbeoordelingen en keurmerken






