Wisselschacht uitvoering
Artikelnummer: 24685-5-37290
Verpakt per: 1 stuk / zakje
Reserveronderdelen
-
Onderdeel: 39064-0-09000
Type: Lager compleet 9 mm
Afname per stuk.
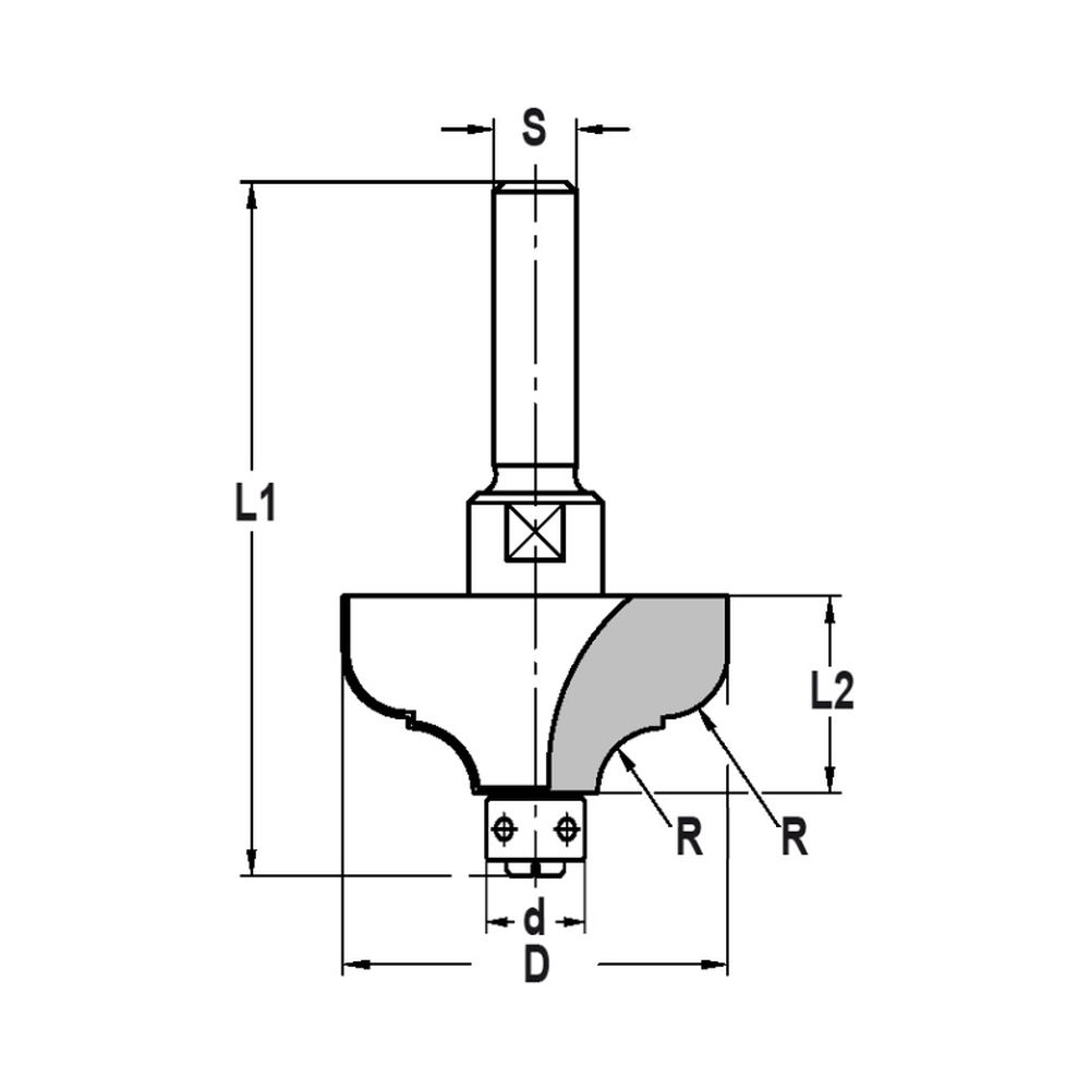
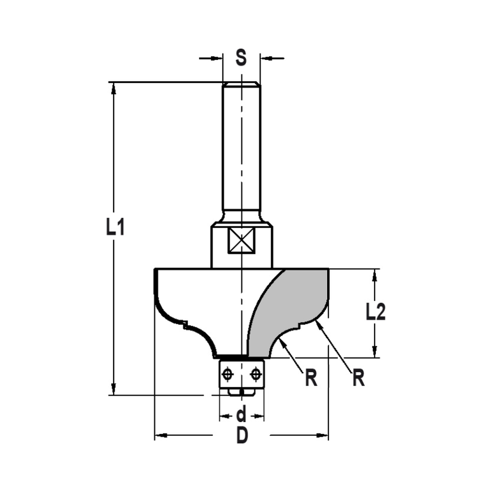
Frees is voorzien van 1 lager.
- Radius (R) = 6,3/6,3 mm
- Ø (D) = 37,2 mm
- Lager (d) = 9,0 mm
- Snijlengte (L2) = 19,0 mm
- Totale lengte (L1) = 67 mm
- Schacht = 10 mm
- Z=2
- Hardmetaal uitvoering (HW)

PRODUCTOMSCHRIJVING
- Maak met deze frees een decoratief profiel aan uw materiaal
- Gebruik ons artikel 24705-5-44912 om het contra-profiel te frezen
- Met recht vlak naast het lager van 1,5 mm aan beide zijden, dit is dus vanaf het lager naar de radius toe
- Ook geschikt voor het maken van een kwartrondprofiel (duivenjager), zie laatste afbeelding
- Zet een groter lager op deze frees (artikel 39064-0-09012, lager 12 mm) en u laat het lager gelijk lopen met de Radius
- De lagers zijn eenvoudig te wisselen met een platte schroevendraaier
- Deze frees is te gebruiken op o.a. hout, MDF, (geplastificeerd) spaanplaat, Trespa® en andere plaatmaterialen
- Controleer altijd uw frees vóórdat u gaat frezen op bijvoorbeeld beschadigingen
- Uw frees dient altijd ver genoeg ingespannen te worden, dit staat aangegeven op de schacht van de frees
- Zorg voor een gelijkmatige doorvoer en het juiste toerental




