Wisselschacht uitvoering
Artikelnummer: 24665-5-37412
Verpakt per: 1 stuk / zakje
Reserveronderdelen
-
Onderdeel: 39064-0-09012
Type: Lager compleet 12 mm
Afname per stuk.
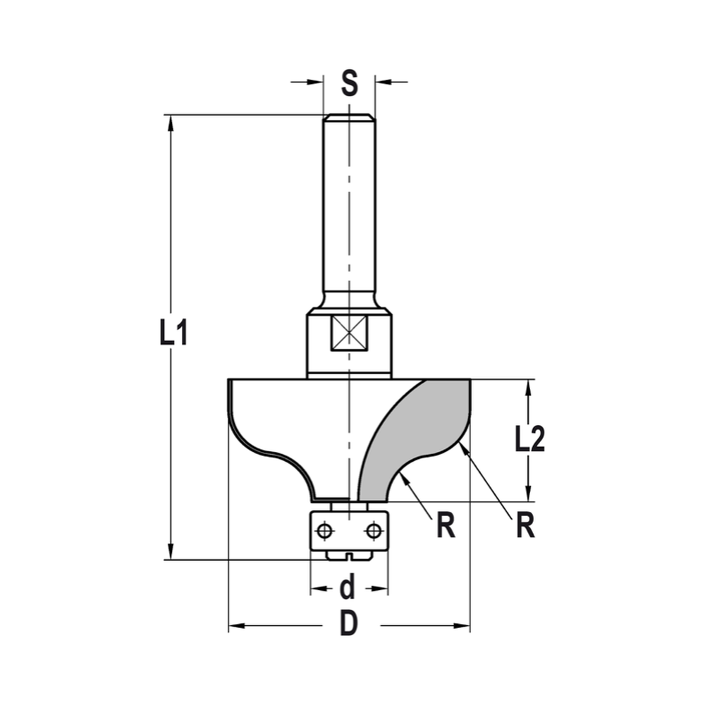
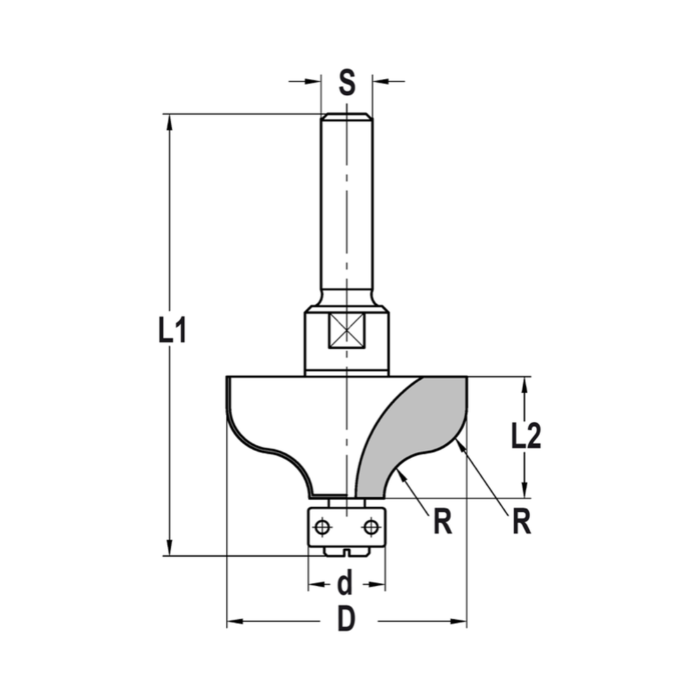
Frees is voorzien van 1 lager.
- Radius (R) = 7,2/7,2 mm
- Ø (D) = 37,4 mm
- Lager (d) = 12,0 mm
- Snijlengte (L2) = 19,0 mm
- Totale lengte (L1) = 67 mm
- Schacht = 10 mm
- Z=2
- Hardmetaal uitvoering (HW)

PRODUCTOMSCHRIJVING
- Maak met deze frees een S-profiel aan uw werkstuk of creëer een afronding met R=7,2 mm
- Zet een kleiner lager op deze frees (artikel 39064-0-09000, lager 9 mm) en u creëert een recht vlak naast het lager van 1,5 mm aan beide zijden
- Dit is dus vanaf het lager naar de Radius toe
- De lagers zijn eenvoudig te wisselen met een platte schroevendraaier
- Deze frees is te gebruiken op o.a. hout, MDF, (geplastificeerd) spaanplaat, Trespa® en andere plaatmaterialen
- Controleer altijd uw frees vóórdat u gaat frezen op bijvoorbeeld beschadigingen
- Uw frees dient altijd ver genoeg ingespannen te worden, dit staat aangegeven op de schacht van de frees
- Zorg voor een gelijkmatige doorvoer en het juiste toerental




