Te gebruiken i.c.m. een groefzaagje
Artikelnummer: 24441-0-00600
Verpakt per: 1 stuk / zakje
Reserveronderdelen
-
Onderdeel: 39050-0-15900
Type: Kogellager D=15,9 x 6,35 mm
-
Onderdeel: 39150-0-06000
Type: Zeskantmoer M6,0 DIN 934
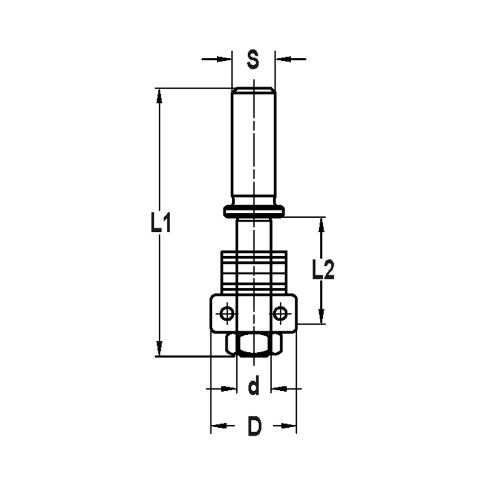
- Ø (D) = 15,9 mm
- Opname (d) = 6,35 mm
- Tussenruimte (L2) = 20,0 mm
- Totale lengte (L1) = 50 mm
- Schacht (S) = 6 mm

PRODUCTOMSCHRIJVING
- Een spindel wordt altijd gebruikt in combinatie met een groefzaagje
- De spindel gaat in de machine (kies hier de juiste schacht-aansluiting)
- Het groefzaagje wordt op de spindel gemonteerd (kies hier de juiste opname (d) voor)
-
Let op: Een groefzaagje past op een spindel als de opname bij de spindel (d) én het asgat van het groefzaagje (d) overeenkomt
- Een spindel heeft dus een schacht-aansluiting (S) voor de machine en opname (d) voor het groefzaagje!
- Gebruik voor deze spindel de groefzaagjes uit de 24152-5-serie
- Met deze combinatie kunt u een groef in uw werkstuk frezen, zijdelings invallen
- Deze spindel heeft standaard een lager van 15,9 mm waardoor u tot een stabiele invaldiepte komt
- Gebruikt u bijvoorbeeld een groefzaagje met een diameter van 40 mm is de invaldiepte 12,05 mm ((40 – 15,9)/2)
- Een andere invaldiepte is mogelijk door het lager te wisselen. Elk lager met een asgat van 6,35 mm past op deze spindel
- Te gebruiken op o.a. hout, MDF, (geplastificeerd) spaanplaat, Trespa® en andere plaatmaterialen
- Controleer altijd uw spindel en groefzaagje vóórdat u gaat frezen op bijvoorbeeld beschadigingen
- Uw frees dient altijd ver genoeg ingespannen te worden, dit staat aangegeven op de schacht van de frees
- Zorg voor een gelijkmatige doorvoer en het juiste toerental


