Te gebruiken i.c.m. een groefzaagje met verzonken asgat
Artikelnummer: 24191-0-08016
Verpakt per: 1 stuk / zakje
Reserveronderdelen
-
Onderdeel: 39050-0-16008
Type: Kogellager D=16,0 x 8,0 mm
Afname per stuk.
Dit artikel wordt standaard meegeleverd. -
Onderdeel: 39050-0-19008
Type: Kogellager D=19,0 x 8,0 mm
Afname per stuk.
Dit artikel is optioneel te bestellen. -
Onderdeel: 39050-0-16020
Type: Kogellager D=20,0 x 8,0 mm
Afname per stuk.
Dit artikel is optioneel te bestellen. -
Onderdeel: 39050-0-22008
Type: Kogellager D=22,0 x 8,0 mm
Afname per stuk.
Dit artikel is optioneel te bestellen.
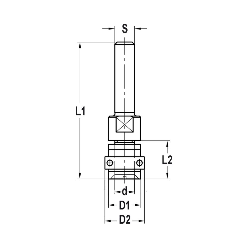
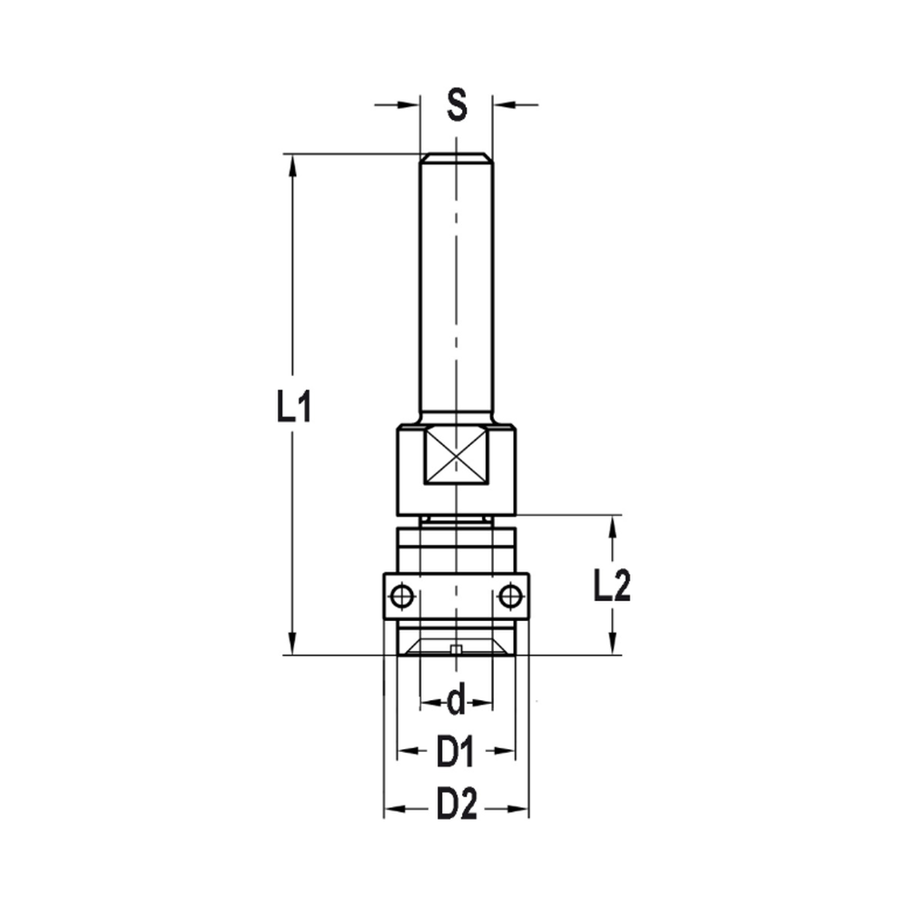
- Ø (D1) = 13,0 mm
- Lager (D2) = 16,0 mm
- Opname (d) = 8,0 mm
- Tussenruimte (L2) = 15,0 mm
- Totale lengte (L1) = 50 mm
- Schacht (S) = 6 mm

PRODUCTOMSCHRIJVING
- Een spindel wordt altijd gebruikt in combinatie met een groefzaagje
- De spindel gaat in de opname van de machine (kies hier de juiste schacht-aansluiting)
- Het groefzaagje wordt op de spindel gemonteerd (kies hier de juiste opname (d) voor)
- Belangrijkste voordeel van deze spindel is dat de groefzaagjes met een verzonken gat vlak op de onderkant gemonteerd kunnen worden (24154-5-serie). De schroef van de spindel valt volledig weg in het groefzaagje waardoor er niks meer uitsteekt aan de onderkant. Hierdoor kunt u optimaal gebruik maken van het groefzaagje zonder dat er aan de onderzijde iets in de weg zit.
-
Let op: Een groefzaagje past op een spindel als de opname bij de spindel (d) én het asgat van het groefzaagje (d) overeenkomt
- Een spindel heeft dus een schacht-aansluiting (S) voor de machine en opname (d) voor het groefzaagje!
- Gebruik voor deze spindel de groefzaagjes uit de 24154-5-serie
- Met deze combinatie kunt u een groef in uw werkstuk frezen, zijdelings invallen
- Deze spindel heeft standaard een lager van 16,0 mm waardoor u tot een stabiele invaldiepte komt
- Gebruikt u bijvoorbeeld een groefzaagje met een diameter van 40 mm is de invaldiepte 12 mm ((40 – 16)/2)
- Een andere invaldiepte is mogelijk door het lager te wisselen. Elk lager met een asgat van 8,0 mm past op deze spindel (zie enkele voorbeelden bij de reservedelen)
- Te gebruiken op o.a. hout, MDF, (geplastificeerd) spaanplaat, Trespa® en andere plaatmaterialen
- Controleer altijd uw spindel en groefzaagje vóórdat u gaat frezen op bijvoorbeeld beschadigingen
- Uw frees dient altijd ver genoeg ingespannen te worden, dit staat aangegeven op de schacht van de frees
- Zorg voor een gelijkmatige doorvoer en het juiste toerental



