Wisselschacht uitvoering
Artikelnummer: 24521-5-31000
Verpakt per: 1 stuk / zakje
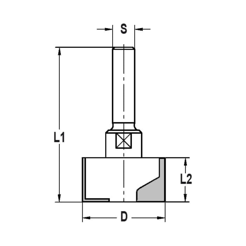
- Ø (D) = 31 mm
- Snijlengte (L2) = 16 mm
- Totale lengte (L1) = 51 mm
- Schacht = 6 mm
- Z=2
- Hardmetaal uitvoering (HW)

PRODUCTOMSCHRIJVING
- Voor het slaan van een sponning
- Op deze frees is ook een lager te monteren uit de 39064-0-serie. Hierdoor kunt u middels een geleiding een vaste sponningdiepte infrezen.
- Te gebruiken op o.a. hout, MDF, (geplastificeerd) spaanplaat, Trespa® en andere plaatmaterialen
- Controleer altijd uw frees vóórdat u gaat frezen op bijvoorbeeld beschadigingen
- Uw frees dient altijd ver genoeg ingespannen te worden, dit staat aangegeven op de schacht van de frees
- Zorg voor een gelijkmatige doorvoer en het juiste toerental



