T.b.v. ontwaterings- / ventilatiesleuven
Artikelnummer: 20493-5-24000
Verpakt per: 1 stuk / zakje
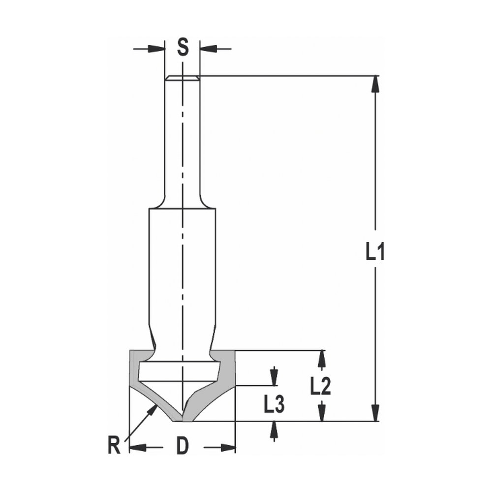
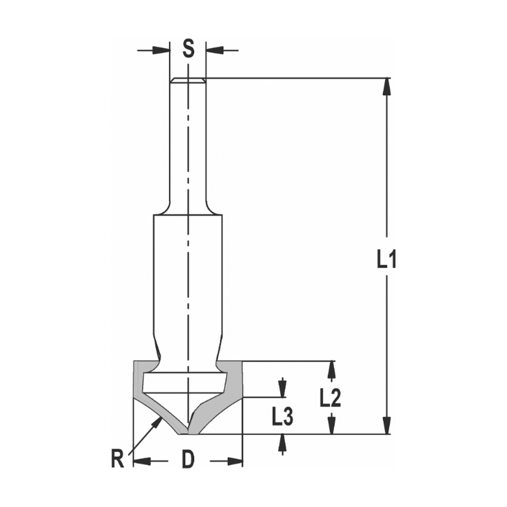
- Ø (D) = 24 mm
- Radius (R) = 30 mm
- Snijlengte (L2) = 16 mm
- Snijlengte (L3) = 8 mm
- Totale lengte (L1) = 78 mm
- Schacht (S) = 8 mm
- Z=2
- Hardmetaal uitvoering (HW)

PRODUCTOMSCHRIJVING
- Zij- en onderkant snijdend
- Geschikt voor het frezen van ontwaterings- en ventilatiesleuven
- Onder andere te gebruiken i.c.m. een HMB®-mal
- Ook is deze frees te gebruiken in combinatie met onze spiraalgroeffrees 20263-6-08030
- Controleer altijd uw frees vóórdat u gaat frezen op bijvoorbeeld beschadigingen
- Uw frees dient altijd ver genoeg ingespannen te worden, dit staat aangegeven op de schacht van de frees
- Zorg voor een gelijkmatige doorvoer en het juiste toerental



