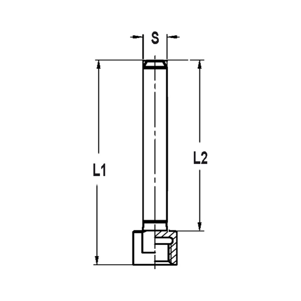
T.b.v. frezen met wisselschacht aansluiting
Artikelnummer: 39516-0-12100
Verpakt per: 1 stuk / zakje
- Schacht (S) = 12 mm
- Totale lengte (L1) = 100 mm
- Inspanlengte (L2) = 90 mm

PRODUCTOMSCHRIJVING
- Wisselschachten kunnen worden gebruikt op alle frezen met een wisselschacht aansluiting
- De aansluiting van de wisselschacht t.b.v. het freeskopje is M8x1
- Alle wisselschachten zijn onderling uit te wisselen
- Zorg ervoor dat de schacht te allen tijde stevig is aangedraaid op het schroefdraad
- Tijdens het frezen zal de schacht uiteindelijk nog steviger vast komen te zitten
- Indien gewenst kunt u een druppeltje lijm (bijvoorbeeld Loctite®) gebruiken om het geheel extra vast te zetten
Dit product is op voorraad en wordt binnen 1–3 werkdagen verzonden.
OP VOORRAAD
Artikelnummer: 39516-0-12100
EAN: 8717123297348


