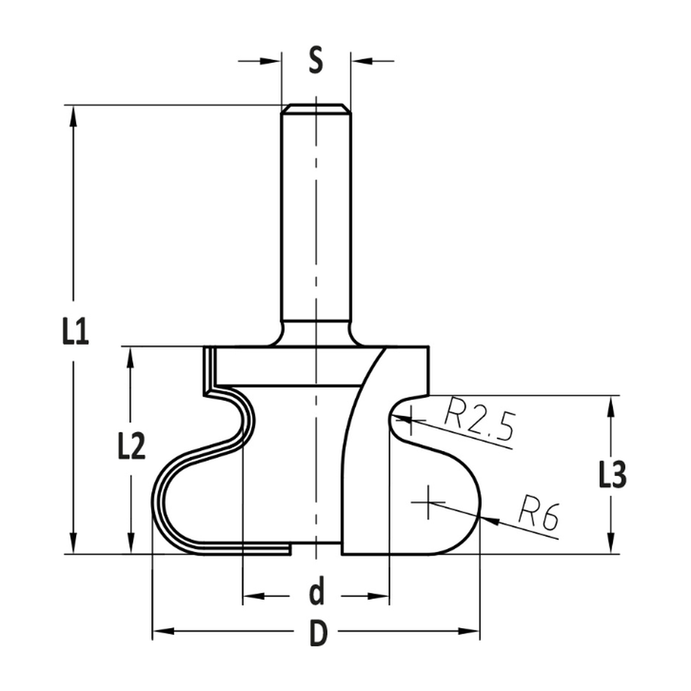
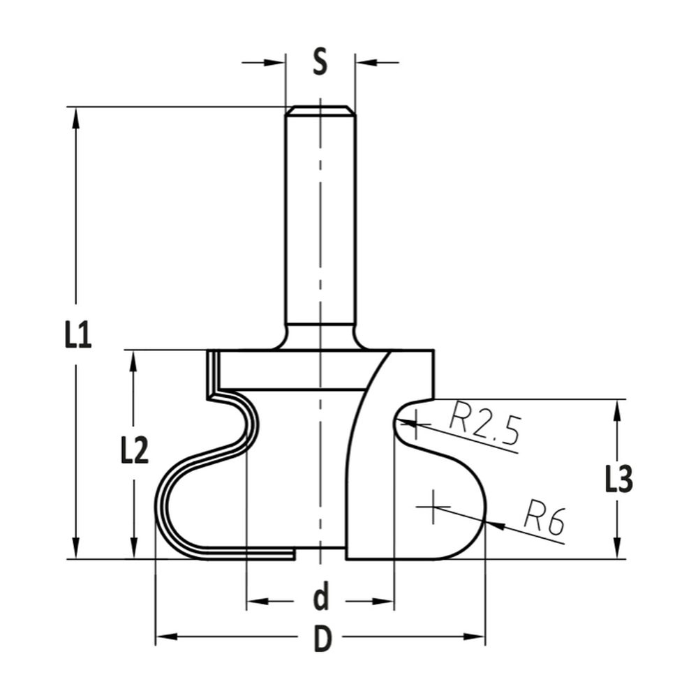
JSO Handgreepprofielfrezen
De ENT en JSO handgreepprofielfrezen zijn speciaal ontwikkeld voor het frezen van handgrepen en grepuitsparingen in hout. Ideaal voor kasten, meubels en interieurbouw, waarbij een strakke en ergonomische afwerking gewenst is.
(0)












