Zij- en onderkant snijdend
Artikelnummer: 24243-5-02006
Verpakt per: 1 stuk / zakje
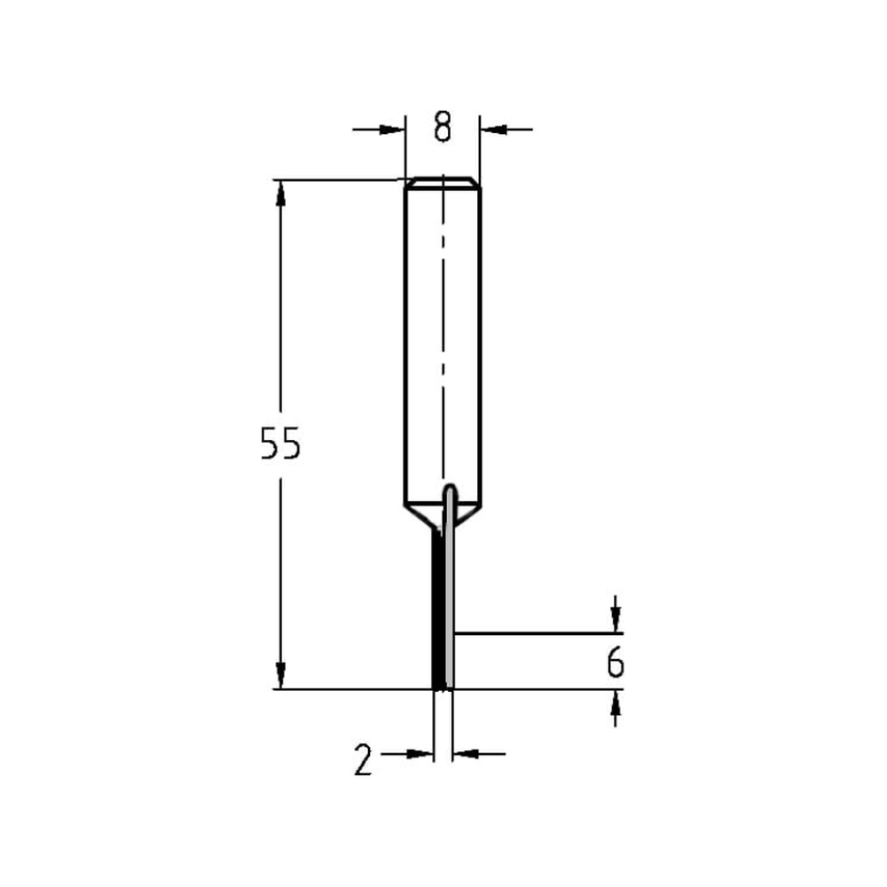
- Ø = 2 mm
- Snijlengte = 6 mm
- Totale lengte = 55 mm
- Schacht = 8 mm
- Z=1
- Volhardmetaal uitvoering (VHW)

PRODUCTOMSCHRIJVING
- Zij- en onderkant snijdend
- Te gebruiken op o.a. hout, MDF, (geplastificeerd) spaanplaat, Trespa® en andere plaatmaterialen
- Controleer altijd uw frees vóórdat u gaat frezen op bijvoorbeeld beschadigingen
- Uw frees dient altijd ver genoeg ingespannen te worden, dit staat aangegeven op de schacht van de frees
- Zorg voor een gelijkmatige doorvoer en het juiste toerental
- In verband met de kleine diameter adviseren wij u de frees extra voorzichtig in te zetten i.v.m. mogelijk breukgevaar




